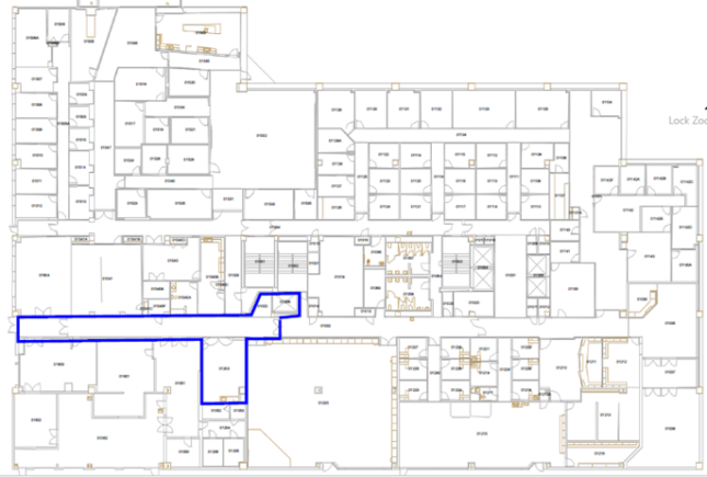
Due to floor recovery efforts and other Environmental Services routine maintenance, the service elevator and the corridor connecting it to the alley will be temporarily closed on Wednesday, April 15, from 8 p.m. to 1 a.m.
During this time, please exit the facility via the lobby at the southeast corner of the building.
We apologize for any inconvenience and appreciate your cooperation. If you have any questions, please contact Mario Turner, Director, EVS, at turnerlc@wustl.edu.
